
Se trata de que DESPUES DE IR A CLASE (ver los vídeos relacionados con vuestras dudas) envies dudas concretas, muy concretas. Y que nos envies también todo aquello que hayas conseguido hacer por ti mismo. Paso a paso, esté bien o mal. No solo el enunciado. De esa manera podremos saber cuál es tu nivel, en que podemos ayudarte, cuales son tus fallos.... Recuerda que el trabajo duro ha de ser tuyo. Nos cuentas ¿ok?
Hola buenas noches :P
En un ejercicio de ondas, me dice que para el instante t=0, la x=0 y la velocidad es máxima en sentido negativo. Al ser el instante inicial, y ser la velocidad de vibración máxima, he supuesto que la fase inicial=0, pero en la corrección ponía que tenía un valor... no entiendo por qué. La velocidad de vibración es máxima, y eso supone que y=0, y al ser el instante inicial, el desfase tiene que ser cero, no??

Hay mucha controversia con saber si el desfase es cero o no..todo va a depender qué razon trigonometrica uses..si te dicen que en t=0 x=-A entonces el seno es 3π/2...en cambio si escoges el coseno la fase inicial será -π
de manera que tendrias dos opciones:
y(x,t)=Asen(ωt+kx-3π/2)
y(x,t)=Acos(ωt+kx-π)
Muy buenas tardes, necesito ayuda con el siguiente ejercicio:
"El radio de la tierra es de 6370 km. La altura del monte Everest es de 8846 m. ¿Cuál será la fuerza de atracción gravitatoria (peso) de una persona de masa 65,4 kg que se encuentre en la cima del Everest"
Datos: M tierra= 5,98 × 1024 kg.
Muchas gracias de antemano
ESCRIBO POR LO MISMO DE AYER, PARECÍA QUE LO ENTENDÍA CON LA RESPUESTA DE UN UNICOO PERO ESTA MAÑANA MI PROFESORA NOS HA DICHO QUE LA SOLUCIÓN ES 641,09 NEWTOONS Y, A MÍ NO ME DA ESO. GRACIAS DE NUEVO. Y NO SE SI USAR TAMBIÉN LA FORMULA DE
P=m×g
Una pregunta el calor Q, puede ser negativo en estos dos casos de ser asi, como se cuando es positivo y cuando negativo
La temperatura de un trozo de acero de 6kg es de 150 C ¿cual es la temperatura despues de liberar 90 kJ de energia calorifica ? Ce acero= 480 J/Kg C
Una muestra de 350g de laton tienen una temperatura de 20 C al liberar 5.46 kJ, de calor ¿ cual era su temperatura antes de empezar a perder dicho calor ?
Ce laton= 390 J/Kg C
Lanzamos un bloque de madera de masa por un suelo horizontal, con el que tiene un coeficiente de rozamiento al deslizamiento µ=0,2 , con una velocidad inicial de 5 m/s. a) Calcula la aceleración de frenado del bloque. , b)¿Qué velocidad tendrá al cabo de 1 s?
Tomar g= 10 m/s2
Cómo debería empezar, no veo cómo.

mirandote los videos de dinamica..en este caso se cumple:
-Fr=m·a ya que la fuerza de rozamiento se opone al movimiento:
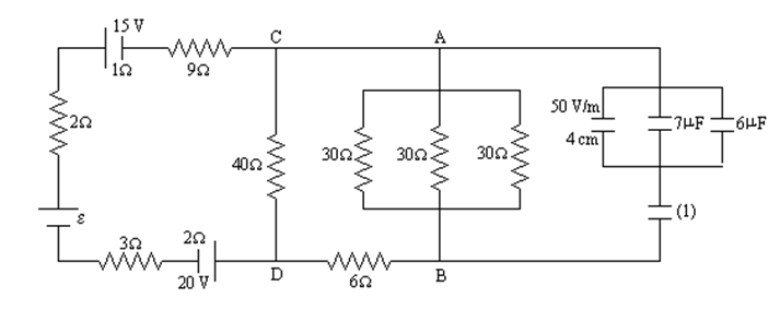
Buenas tardes, me podriais ayudar un con problema de circuitos, muchas gracias.
En el circuito de la figura, la potencia disipada por las tres resistencias en paralelo es de 1000 w y la energía almacenada en el condensador (1) es de 0.8 J. Calcular: a) La fuerza electromotriz ε b) La capacidad del condensador (1).
Hola a todos, tengo una duda de donde sale el ángulo de 20° ya que en el ejercicio no se me proporciona esa información, según yo serian los 20° faltantes para completar los 90° del cuadrante uno, pero cuando se debe de hacer eso y porque? No entiendo porque en otros ejercicios no ocupo hacer eso para poder resolverlos y otra duda si en f2x=6Cos(20°) f2y no debería de ser igual a 6Sen(70°) pero el procedimiento dice que es f2y=6Cos(70°).
3. Por una resistencia de 5 ohm circula una corriente de 3 A. ¿Qué resistencia deberemos conectar en serie para que la intensidad se reduzca a 0,5 A?
V=R·I > 5·3=15 V
Para hacer la pregunta no debería ser 15=R·0.5 -> R= 15/0.5?

Suponemos que la diferencia de potencial es la misma para los dos casos.
En el primero, has planteado correctamente:
V = R*I = 3*5 = 15 V.
Luego, planteas la expresión de la resistencia equivalente a la serie (indicamos con R al valor de la resitencia que debes agregar), y queda:
Re = 5 Ω + R.
Luego, planteas la ecuación de la Ley de Ohm para el circuito serie , y queda:
Re*I1 = V,
divides en ambos miembros por I1, y queda:
Re = V/I1, sustituyes expresiones y valores, y queda:
R + 5 = 15/0,5, resuelves el segundo miembro, restas 5 en ambos miembros, y queda:
R = 25 Ω.
Espero haberte ayudado.
Hola necesito ayuda con un problema de poleas. Es una polea que sostiene con una cuerda dos objetivos conectados a lados opuestos m1 y m2 (el m2 hace contacto con el piso). Se ejerce una fuerza F directamente hacia arriba del eje de la polea (la polea no tiene masa ni fricción). Y me preguntan ¿cuál es el valor MÁXIMO que la fuerza F puede tener para que m2 permanezca inmóvil en el piso?
Y tengo una duda similar con otro ejercicio no es de poleas, es de una masa sobre un plano inclinado, me dan de datos: masa, ángulo, coeficientes de fricción cinética y estática ¿la fuerza MÍNIMA que impide que se deslice hacia abajo? Este apartado lo resolví multiplicando el coeficiente de roce cinético con la fuerza normal. Sin embargo no entiendo porqué el cinético y no el estático. El otro apartado no pude resolverlo, dice, ¿cuál es la fuerza mínima de F que comenzara desplazarlo hacia arriba del plano?
ESPERO QUE ALGUIEN PUEDA AYUDARME. ¡MUCHAS GRACIAS!
:)

1)
Observa que en el caso límite (cuando la masa M2 está a punto de despegarse del piso) puedes considerar que la acción normal del suelo es nula.
Luego, establece un sistema de referencia con eje OY vertical con sentido positivo hacia arriba
Luego, aplicas la Segunda Ley de Newton, y tienes:
T = M1*a1,
T - M2*g = 0,
F - 2*T = Mp*ap;
luego, como la masa de la polea es despreciable, cancelas el segundo miembro de la última ecuación, y el sistema queda:
T = M1*a1 (1),
T - M2*g = 0, aquí sumas M2*g en ambos miembros, y queda: T = M2*g (2),
F - 2*T = 0 (3);
luego, sustituyes la expresión señalada (2) en las ecuaciones señaladas (1) (3), y queda:
M2*g = M1*a1, aquí divides por M1 en ambos miembros, y queda: (M2/M1)*g = a1,
F - 2*M2*g = 0, aquí sumas 2*M2*g en ambos miembros, y queda: F = 2*M2*g.
Espero haberte ayudado.