¡UPS! Para ver vídeos en la web debes estar registrado, es totalmente gratuito.

Recuerda además que sólo por ser unicoo, GRATIS, podrás dejar tus dudas en los foros de beUnicoos, acumularás energy y help points y ganarás decenas de medallas. Registrarte solo te llevará unos segundos. Nosotros somos unicoos ¿y tú? #nosvemosenclase

Leyes de Kirchhoff

Resolveremos un ejercicio de tecnología. En este caso, sobre las LEYES DE KIRCHHOFF. Plantearemos, basadas en ellas, las ecuaciones de los nodos y de las mallas correspondientes y resolveremos el sistema de ecuaciones obtenido para hallar las intensidades de corriente del circuito electrico.

Agregar a mi mochila
0/ 1063

* Para utilizar tu mochila o guardar tu progreso y acumular energy points debes ser usuario registrado. Regístrate o inicia sesión

Material adicional

* Los materiales marcados con el símbolo de la estrella () sólo serán accesibles para usuarios PRO. Conviértete en PRO

Foro de preguntas y respuestas

logo beUnicoos
Los foros de unicoos se han unificado en nuestra nueva plataforma beUnicoos. Para dejar nuevas preguntas deberás hacerlo allí, donde además podrás encontrar nuevas asignaturas y herramientas para ayudarte más con tus estudios.
  • icon

    Rocío
    el 23/10/19

    Buenos días, ¿cómo se hacen las leyes de Kirchhoff cuando tengo fuentes de intensidad y de tensión en un mismo circuito?  

    replythumb_up0 voto/sflag
    icon

    JorgeGT
    el 24/10/19

    Hola Rocio:

    Para resolver este tipo de problemas yo siempre señalo que hay que ser muy sistematico y tener algunas ideas muy claras.

    - Tenemos que aplicar la ley de ohm en cada malla y obtener un sistema de ecuaciones con igual numero de incognitas que de ecuaciones. El numero de incognitas sera igual al numero de corrientes en cada malla, ok?

    - Para empezar marcaremos un mismo sentido de corriente en cada malla en todas las mallas, yo siempre elijo el sentido horario, pero podria elegir el contrario, da igual. Ocurre asi que las ramas que son contiguas a dos mallas les atraviesan dos corrientes, una la que estamos estudiando y otra la de la contigua, que ira en sentido contrario a la nuestra, siempre sera asi si hemos marcado el mismo sentido en las corrientes de malla.

    - Ahora recorriendo la malla en el sentido de corriente marcado:

    - en las resistencias marcaremos el + al entrar en ella y el - al salir

    - en los generadores de tension el + por dodnde esta el + del generador y el - donde esta el - del generador

    - en los generadores de corriente los podemos tratar como si de una resistencia se tratara marcando un + por donde entra la corriente y - por donde sale.

    - y ahora dibujaremos una flecha en cada elemento  del circuito, la punta de la flecha irá donde indica el +

    - por ultimo recorreremos cada malla en el sentido de la corriente marcada e iremos anotando la tension en dada elemento, con signo positivo si entramos por la punta de la flecha y negativo si entramos por la base de la flecha e igualamos a cero.

    Acabamos de obtener tantas ecuaciones como mallas y tantas corrientes. Resolvemos por cualquiera de los metodos matematicos conocidos.

    Puede que alguna corriente salga negativa: eso significa que en la realidad va en sentido contrario al que inicialmente marcamos.

    Para calcular la corriente en cada rama solo habra que tener cuidado con la ramas contiguas a varias mallas porque por ellas circulara la corriente diferencia de ambas mallas.

    La solucion es

    Espero lo entiendas.

    Nos vemos

    thumb_up1 voto/sflag
  • icon

    Maddi Eskisabel
    el 17/9/19
    flag

    ¿Alguien me puede sacar todas las magnitudes por favor?

    replythumb_up0 voto/sflag
    icon

    Breaking Vlad
    el 18/9/19

    Hola Madi,

    desde Unicoos no resolvemos vuestros ejercicios sino que os ayudamos a resolverlos por vosotros mismos. El trabajo duro debe ser el vuestro, prueba de intentarlo, y preguntarnos las dudas que te surjan por el camino.

    Un saludo,

    Vlad

    thumb_up0 voto/sflag
  • icon

    Juan Carlos Campos Campos
    el 23/5/19

    Como se hace se resuelve un circuito eléctrico 

    replythumb_up0 voto/sflag
    icon

    JorgeGT
    el 23/5/19

    Hola Juan Carlos!!!

    Mira tu pregunta es tan amplia que no la puedo contestar. Es algo parecido a si me preguntaras como se conduce un coche. Tienes que preguntar algo mas concreto para que te lo pueda explicar.

    Nos vemos!!!!

    thumb_up0 voto/sflag
  • icon

    alberto
    el 30/3/19

    10:56 No entiendo porque al encontrarse la intensidad con el polo positivo de la pila debe sumar la tensión, si como bien dices los electrones salen de la pila del polo negativo hacia el polo positivo. Es decir, se encontraria de frente y en sentido opuesto con los electrones que salen de esa pila, por lo que tendrian que restarse.

    Y lo mismo se aplica si se encontrará con un polo negativo de una pila, eso le impulsaria hacia delante, aprovechando la diferencia de potencial entre polos, de negativo a positivo.

    replythumb_up0 voto/sflag
  • icon

    Diegoto Iva
    el 12/2/19

    Adjunto nuevo problema, en el cual sí creo que hace falta algún dato para poder resolverlo, como por ejemplo la tensión de alimentación?. Si me pudieseis ayudar, sería de gran ayuda!


    replythumb_up0 voto/sflag
    icon

    JorgeGT
    el 13/2/19

    Pues igual que te dije ayer en el anterior problema (mi respuesta ha desaparecido! ya se lo he comunicado a informatica) tampoco aqui necesitas ningun dato más.  Se trata de un circuito trifasico en estrella y te dan la tension simple en una fase. Como las cargas son identicas se trata de una red equilibrada por lo que las tensiones ( y corrientes) son iguales en modulo y solo estaran desfasadas 120 º entre si.

    La tension compuesta se obtiene simplemente multiplicando la tension del enunciado por raiz de 3. Asi tendremos la tension de linea. Las otras dos tensiones de linea seran iguales en modulo, como ya he dicho,  e iran , una adelantada 120º y la otra retrasada otros 120º.

    Para calcular las potencias en las fases, que es lo que nos piden, te sugiero calcular el triangulo equivalente de la estrella, calculando las tres  Z y entonces podras calcular facilmente las corrientes I y de ahi la potencia.

    Espero que esto te ayude, hay que practicar!

    Nos vemos!!!!



    thumb_up1 voto/sflag
  • icon

    Diegoto Iva
    el 11/2/19

    buenas tardes,

    Necesito ayuda con este ejercicio propuesto por la profesora en clase, pero creo que faltan datos para poder resolverlo no? Estoy perdido en el procedimiento de su resolución. ¿Podríais ayudarme?

    Gracias

    replythumb_up0 voto/sflag
  • icon

    Marc Alvarez
    el 18/11/18

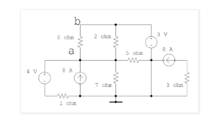
    Hola necesito ayuda si alguien me podria decir el procedimiento para encontrar el voltage en el punto a, la qual la solucion es =6,97 V. Gracias

    replythumb_up1 voto/sflag
    icon

    JorgeGT
    el 19/11/18

    Puedes seguir varios metodos de resolucion:

    - marcar tantas corrientes como mallas tienes, 6, y escribir las 6 ecuaciones. (Atencion que la ultima malla de la derecha la puedes eliminar porque el punto al que inyecta el generador de corriente de 8A es el mimo que el comun de masa - te pego una foto y ese punto lo he marcado con un ciruclo en verde).

    Ahora tendras que plantear las 5 ecuaciones con mucho cuidado con los signos de tensiones o corrientes de los generadores y resolver.

    - el otro metodo consiste en emplear el equivalente de Norton para ir agrupando elementos y simplificar el circuito y no tener que resolver un sistema de ecuaciones.

    Esta es mi opcion porque la veo mas sencilla.

    - el generador de tension de 4v y la resistencia de 1 Ω se pueden convertir en un generador de corriente de 4 A y una resistencia en paralelo de 1 Ω

    - Entonces ahora puedo agrupar las resistencias de 1 y 7 Ω que quedan en paralelo y los generadores de corriente de 4 A (calculado antes) y el de 8A . Mira la imagen ..

    Asi nos queda el circuito:

    Pero ahora vemos que la resistencia de 5 Ω y la de 7/8 estan en paralelo luego las agrupamos y nos queda una de 35/47 Ω en paralelo con un generador de corriente de 12 A:

    Y ahora agruparemos las resistencias en paralelo de 6 y 2 Ω y haremos el equivalente en tension del generador de corriente:

    Y para terminar calcularemos la corriente en la unica malla que ha quedado:

    8,936 - 3 =(0.745+1,5)*I -> I=2,644 A

    La tension en "a" sera, ver la imagen ultima:

    Va =8,936 -2,644*0,745= 6,966 v

    Explicado parece complicado pero es un metodo con menos probabilidad de error que el sistema de ecuaciones y mas didactico puesto que puedes ver los circuitos equivalentes.

    Espero que la proxima vez plantees hasta donde tu has llegado porque es la forma en la que aprenderas. Nos vemos la proxima!!!



    thumb_up2 voto/sflag
  • icon

    william rodriguez
    el 18/11/17
    flagflagflag

    BUENAS TARDES.NECESITO AYUDA CON EL ANALISIS POR MALLAS Y NODOS  DE ESTE CIRCUITO.TIENE FUENTES DE CORRIENTE..


    replythumb_up0 voto/sflag
    icon

    David
    el 5/1/18

    Lo siento pero no podemos ayudaros con dudas de TECNOLOGÍA por ahora. Espero lo entiendas.

    thumb_up1 voto/sflag
  • icon

    Albert Bonfill Alonso
    el 1/11/17

    Hola buenas,me gustaría saber donde poner mis dudas si debajo de cualquier vídeo o en algún lugar en concreto correo...

    Y ademas tambien quería saber si podriais explicar programación en C (Do,for,if...) y electronica termopares....

    Yo junto a mis compañeros de FP Grado Superior de Robotica Industrial nos han ayudado los vídeos de unicoos pero tenemos un profesor inconpetente en el sentido de que tiene muchos conocimientos pero no los transmite y es un muy difícil seguir las clases te estaríamos muy agradecidos si nos pudieraís ayudar.

    Gracias de antemano.


    replythumb_up3 voto/sflag
  • icon

    Ot Maestro
    el 26/10/17

    En un futuro sacaras vídeos sobre tecnología industrial? Me refiero a Potencia consumida, Rendimiento y ese tipo de problemas, Saludos.

    replythumb_up1 voto/sflag
    icon

    David
    el 29/10/17

  • icon

    diego
    el 21/9/17
    Flag pendienteflagflagflag

    no entiendo vien como hacer este ejercicio:

    Un frigorífico que tiene las siguientes dimensiones: 55 cm (ancho) x 125 cm (alto) x 55 cm (fondo), lleva un recubrimiento, alrededor de cada una de las seis paredes, de fibra de vidrio de 3 cm de espesor. Calcula la cantidad de calor por hora que se deberá extraer si se quiere mantener en el interior una temperatura de 5 ºC si en el exterior hay 28 ºC. 

    replythumb_up0 voto/sflag
    icon

    David
    el 27/9/17

    Con todo el cariño.. ¿que tiene tu duda que ver con kirchhoff?
    En todo caso, tampoco puedo ayudaros pues las dudas de tecnología todavía no las contemplamos. Espero lo entiendas.

    thumb_up0 voto/sflag
  • icon

    Tania Torres Villca
    el 29/8/17
    flagflag

    Hola!! Queria preguntar si hay algun video de ejercicios de poder calorifico para 1ro de bachillerato.

    replythumb_up1 voto/sflag
    icon

    David
    el 31/8/17

    Es posible te ayuden los de calorimetria, pero sin ver un enunciado concreto no sabría que decirte. Te sugiero que dejes tu duda en el foro general de física

    thumb_up0 voto/sflag
  • icon

    duraa98
    el 27/6/17

    Si la intensidad de la corriente te da negativa como en este caso, para calcular el potencial, utilizamos la intensidad negativa o la ponemos positiva?

    replythumb_up0 voto/sflag
    icon

    David
    el 12/7/17

    Positiva..

    thumb_up2 voto/sflag
  • icon

    Mónica
    el 22/4/17
    flagflag

    Hola, necesitaria ayuda con la corriente alterna, no comprendo porque se trabaja con numeros complejos, no sé ni por donde empeza. No comprendo ninguno de sus conceptos como inductancia...

    replythumb_up0 voto/sflag
  • icon

    Pili
    el 20/3/17

    Hola, quería preguntar si solo hay un vídeo de tecnología industrial de 1 de bachiller 

    replythumb_up1 voto/sflag
    icon

    Raúl RC
    el 12/4/17

    Todavía no hemos abarcado esa rama, poco a poco iremos añadiendo contenidos. 

    thumb_up0 voto/sflag
  • icon

    Luis Alvarez
    el 25/11/16

    una pregunta .

    sobre las mallas

    si  resuelvo de  esta manera esta bien s o no 

    1MALLA     3-4=3I1+1I1+6(I1+I2)

    2 MALLA  4-5=2I2+4I2+6(I2-I1)



    replythumb_up1 voto/sflag
    icon

    David
    el 25/11/16

    Si te da lo mismo...

    thumb_up0 voto/sflag
  • icon

    Claudia
    el 16/10/16

    Hola buenas, tengo una pregunta:

    ¿Las leyes de kirchhoff son aplicables en circuitos que contengan motores?

    Gracias.

    replythumb_up0 voto/sflag
    icon

    David
    el 17/10/16

    thumb_up1 voto/sflag
  • icon

    krlsmoro
    el 9/10/16

    Hola buenas, en el vídeo aplicas la ley de los nudos(1 ley de Kirchhoff) o la ley de las mallas(2 ley de Kirchhoff) 

    replythumb_up0 voto/sflag
    icon

    David
    el 10/10/16

    Las dos...

    thumb_up2 voto/sflag
  • icon

    Mauricio
    el 6/5/16

    y con más mallas, como se formaria? la ecuación de I=I1+I2?( habiendo presente un l3)

    replythumb_up0 voto/sflag
  • icon

    waldir ampudia cervates
    el 27/9/15

    podrían explicarme si se pone o se omite los signos al lado de las resistencias en un circuito de mallas,
    con un ejercicio

    replythumb_up1 voto/sflag
    icon

    David
    el 8/10/15

    Ni se omiten si se añaden. Las resistencias son siempre positivas. Si te refieres a si debo sumar o restar, lo explico en el video...

    thumb_up4 voto/sflag
  • icon

    Antony Herrera
    el 11/9/15
    flag

    Podrían hacer un vídeo de Circuitos RC encontrando la ecuación general de Carga y Voltaje. por favor.

    replythumb_up4 voto/sflag
    icon

    David
    el 14/9/15

    Lamento de todo corazon no poder ayudarte por ahora, pero unicoos (por ahora) solo llega hasta bachiller. Tu duda se da en la "uni" o en electronica. Si te sirve de consuelo me he propuesto empezar con videos de electronica pero no puedo prometerte cuando estarán. Espero lo entiendas...

    thumb_up12 voto/sflag
  • icon

    Aleatorius
    el 31/8/15

    Hola David, tengo una formula más para potencia que es P = V^2 / R
    Es también válida?

    replythumb_up1 voto/sflag
  • icon

    cristina fernández
    el 8/6/15

    Puede la I1 ir hacia abajo ?

    replythumb_up1 voto/sflag
    icon

    David
    el 8/6/15

    Sí.. Puedes plantearlo así inicialmente...

    thumb_up2 voto/sflag
  • icon

    Luis Zambrano Bonilla
    el 31/5/15
    flag

    Estimado Profesor:
    Podria subir mas videos con ley de kirchoff pero utilizando diodos y transistores

    replythumb_up5 voto/sflag
  • icon

    Nacho
    el 16/3/15

    No se si esta duda no tiene que ver del todo y es tocar las narices pero en ese circuito ¿como es posible que haya corriente si las diferencias de potencial no están conectadas? Están los positivos conectados a los positivos y los negativos con los negativos.

    replythumb_up0 voto/sflag
  • icon

    JBalvin
    el 9/2/15

    Hay algo que no entiendo si en una malla no hay resistencia y solo hay un generador la suma de todas las tensiones ya no sería 0

    replythumb_up0 voto/sflag
    icon

    David
    el 10/2/15
    Flag pendiente

    Eso sería un CORTOCIRCUITO....

    thumb_up7 voto/sflag