alguien me puede colaborar con el link para descargar Autocad Civil 3D 2019 x32 bits en español
o el 2018.

Hola!!!! Bonito problema no?
Veamos:
Segun la grafica que nos dan par que el generador entregue 20 v tiene que girar a 1500 rpm.
Como se emplea una polea para trasmitir el giro de la rueda de la bici al eje del generador podremos aplicar la relacion entre diametros de las poleas y el numero de vueltas:
D2/D1 =N1/N2 (Recuerda estan cambiados numerador y denominador a ambos lados del igual, a mas diametro menos vueltas y viceversa), tendremos pues:
68/0,85 (hay que pasarlo tambien a cm!)= 1500/N2 -> N2= 1500 *0,85/68 -> N2=18,75 rpm (de velocidad de giro o velocidad angular de la rueda de la bici)
Ahora piden la velocidad de giro de los pedales, y volvemos a utilizar una polea, la formada por el plato y el piñon. El piñon girara a la misma velocidad angular que la rueda (la calculada antes). Los diametros de las poleas no los conocempos pero si los perimetros, dados por el numero de dientes. Como el perimetro y el diametro se relacionan por una constante (pi), al dividir los diametros o los perimetros la constante se va y la relacion no cambia, por tanto podremos escribir que:
16/36= N1/18,75 -> N1= 16*18.75/36 -> N1= 3,70 rpm de los pedales
Y terminado!
Espero lo entiendas bien y haberte ayudado.
El proximo día escribe tu planteamiento, aunque sea erroneo, te ayudará a aprender más!!!
Nos vemos!!!!
Hola a todos! ¿Alguien me podria ayudar a entender la lógica del siguiente problema? Empecé hacer la tabla de la verdad pero no veo sentido. Además, no sé cómo ubicar (d). Un saludo. ![]()
![]()

Hola buenas tardes:
Para resolver este tipo de problemas tienes que situarte en lo que se quiere hacer:
se quiere controlar un elevador con un parametro de peso. Bien entonces nos situamos mentalmente en circuitos de control de sistemas, y ahora bajamos un poco mas en el detalle del enunciado: nos dan 4 posibilidades de peso, vacio, mayor de 10 kg, de 60 kg o de 100 kg. Como son cuatro estados posibles nos harian falta ¿cuantos bits para representarlos? 2 solo por que 2 elevado a 2 (bits) es 4 que es el numero maximo de estados que podria representar con 2 bits.
Lo mas habitual es que el detector de peso sea una "caja negra" con cuatro entradas (al menos) y cada una de estas entradas reciba un 1 cuando detecte uno de los pesos indicados ... por facilidad sigo en las imagenes que adjunto
En resumen creamos un codificador para convertir las distintas entradas de peso en cuatro diferentes estados que mediante dos hilos llevamos a un decodificador que los convertira en cuatro distintas salidas que atacaran al sistema que controla la velocidad del elevador.
Esta es solo una posible solucion al problema ya que se puede resolver de otras maneras, pero dado que no habia mas restricciones en el enunciado, lo he planteado asi.
Espero que lo entiendas bien y te sirva.
Nos vemos!!!!
Buenas tardes.No sé si dentro de este foro está dibujo técnico ; parece que es el único foro que no hay.*Si no es así,¿se me podría pasar algún contacto con el encargado de dibujo técnico?
He buscado en todo youtube y en el canal de unicoos y no parece haber ningún vídeo que explique bien los ángulos de la circunferencia.Podrían resolver estos ejercicios(fotos adjuntadas) ,por ejemplo, para explicarlo bien.Muchas gracias

Guillermo:
Entre tanto en Unicoos se incorpora o no una area para dibujo técnico, porque no miras en esta web https://www.mongge.com/
Nos vemos!!!!
Hola de nuevo. Otra vez tengo problemas simplificando las expresiones lógicas. He diseñado el circuito a partir de la expresión y luego obtuve la tabla de la verdad y una vez más el problema viene cuando compruebo los resultados de la tabla con la simulación en proteus y me salen distintos. A los expertos en el asunto, ¿Donde me estoy equivocando? Un saludo.![]()
![]()

Hola Bravo!
He visto lo que has hecho y es correcta la obtencion de la primera expresion, pero he visto un problema en como trabajas con los operadores boleanos con lel segundo termino de la expresion, al hacer la negacion te equivocas, mira como queda:
No se si has cometido mas errores, pero vigila estas operaciones porque estos problemas son sencillos pero si te equivocas al principio todo el tiempo que empleas a continuacion ya esta mal. Adelante que ya casi lo tienes!!!! Nos vemos!!!!
Hola!!
Para poder quitar los accesos directos de una memoria USB que hago??
Hola!!
Para comprar una computadora en que me puedo basar??

Hola Sandra!
Lo primero que tienes que plantearte es qué necesitas ahora o en un futuro proximo (digamos que en unos tres años): vas a usarla para tus presentes o futuros estudios universitarios? Serán estos de ingenieria o ciencias y en algun momento supones que seria necesario correr en el programas de CAD (diseño grafico) u otros que hayas oido que suponen una gran carga de procesador? Si ambas respuestas son afirmativas deberas buscar uno con un procesador lo mas potente que tu presupuesato pueda alcanzar.
Si la segunda respuesta es negativa un procesador medio te valdria (digamos un i3 seria suficiente) para navegar, editar textos, hojas de calculo, etc...
Si vas a usarlo para juegos te hara falta un buen procesador y una buena tarjeta grafica.
Por ultimo una mayor memoria RAM le premitira ser más agil y rapido. De nuevo lo que el presupuesto te permita
Una recomendacion: yo me decanto ya por discos duros de estado solido, son mas caros y por el mismo precio que los magneticos te dan un cuarto de su capacidad mas o menos, pero compensan con la rapidez de respuesta del ordenador en el dia a dia. Mas adelante si te hace falta almacenar informacion compra un disco duro externo, magnetico, y almacena ahi.
Lo ultimo: compra cuando te haga falta, no te anticipes porque los precios siempre bajan o las prestaciones suben, como o quieras ver.
Espero haberte ayudado!!!! Nos vemos!!!!
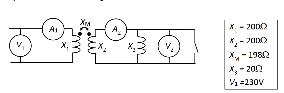
Dados esos datos, tengo que calcular los valores de A1, A2 y V2 cuando:
a) Interruptor cerrado
b) Interruptor abierto
No entiendo muy bien cómo afecta el interruptor y se calcula la parte de la derecha.

Hola Juan:
Lo primero que me sorprende del enunciado es que tratandose de un transformador no se nos dé la relación de trasformación (relación de espiras entre primario y secundario). Este dato es fundamental para los cálculos. Le llamaremos “a”
Mi primera respuesta sobre como afecta el interruptor, claramente cortocircuita la bobina X3, que es la carga, luego afectar afecta seguro.
La resolución del problema pasa por plantear el circuito equivalente que nos dan, como no puedo hacerlo aquí, lo hago en papel y te pongo las fotos abajo.
Espero que te ayude!!!! Un saludo y nos vemos!!!!!