Hola buenas, mi pregunta es sobre cantidad de movimiento lineal para la condición P inicial = P final , esto se cumple para colisiones elásticas e inelásticas, o solo para elásticas, en el vídeo de choque elástico dice que para ambos, pero en el vídeo choques 02 dice que debido a que es elástico se cumple esa condición, atento a su respuesta gracias.
Hola buenas tardes, me estoy preparando por mi cuenta para la prueba de acceso a grado superior en valencia, y aunque la pregunta en sí viene en tecnología industrial, creo que también se comparte con física. En concreto es el tema de "mecanismos" con ruedas de fricción y dentadas, mi duda está en este ejercicio y si me haríais el favor de explicarmelo en detalle, muchas gracias:
Una rueda dentada acoplada al motor, cuyo módulo es de 2mm y su diámetro primitivo de 90mm engrana con una rueda de 60 dientes y diámetro primitivo de 120mm. Calcula: a) número de dientes de la rueda motriz Z1 b) velocidad en revoluciones por minuto de la rueda arrastrada N 2 si la velocidad de la rueda motriz N1 es de 1000rpm.
Buenas tardes. Tengo la siguiente duda sobre un problema de Energía, el cual dice así: "Una escopeta de juguete (con un cañón de 30 cm de largo) dispara bolitas de goma de 2 g mediante un muelle de constante 2000 N/m. Si el muelle se comprime 10 cm, calcula la velocidad de salida de la bolita:
a) Sin rozamientos.
b) Rozamiento de μ=0,1.
c) ¿Es posible resolver el problema utilizando el segundo principio de Newton: ∑F=ma?
Aquí les mando lo que he hecho en cuanto al apartado a), para saber si voy bien encaminado para el apartado b), y para que me ayudasen a resolver el apartado c). Muchas gracias de antemano.
a) Sin rozamientos.
b) Rozamiento de μ=0,1.
c) ¿Es posible resolver el problema utilizando el segundo principio de Newton: ∑F=ma?
Aquí les mando lo que he hecho en cuanto al apartado a), para saber si voy bien encaminado para el apartado b), y para que me ayudasen a resolver el apartado c). Muchas gracias de antemano.">![]()

Si hay un muelle, tienes energia potencial elastica Epe=(1/2).k.x²... Si no hay rozamiento, principio de conservacion de la energia mecanica...
FISICA - Principio de conservacion de la Energia Mecanica Emo=Emf... Eco+Epo=Ecf+Epf... 0+(1/2).k.x²=(1/2).m.v²+0....k.x²=m.v²... 2000.0,3²=0,002.v²...
v²=90000... v=300 m/s
Si hay rozamiento, Wr=ΔEm... FISICA - Trabajo de Rozamiento
Wr=-Fr.d=-µ.m.g.d = Emf-Emo= Ecf+Epf-Eco-Epo=(1/2).m.v²+0-0-(1/2).k.x².......-µ.m.g.d = (1/2).m.v²-(1/2).k.x²... .-µ.mg.d = (1/2).mv²-(1/2).k.x²... sustituye los datos y despeja v...
k.x²/2- µ.mg.d = (1/2).mv².... k.x²- 2.µ.mg.d = mv²... kx²/m- 2.µ.g.d = v²...
Hola unicoos me estoy preparando para un examen de física de 2º de bach y no entiendo la regla de la mano derecha, ¿hay otro modo de obtener la dirección y el sentido del vector?

Alberto, la regla que dices es trivial.También puedes usar la regla del tornillo: Se trata en el fondo de lo mismo: Imagina un tornillo de rosca derecha, roscamadera, que al hacerlo girar en el sentido de las agujas del reloj , se ira introduciendo en el tablón y por lo tanto va hacia abajo e implica sentido negativo; haciéndolo girar al contrario subirá y será el sentido positivo.
En el caso de dos vectores , en el plano, por simplificar tendríamos:
El vector v a a la izquierda del vector u, pues el sentido del producto vectorial de vxu será negativo pues el giro se toma desde el primero al segundo, siempre por el camino más corto entre los vectores, en la notación del propio producto vector, y sera de izqda. a dcha.
Si hacemos uxv será al contrario y el signo sería positivo. Espero que te ayude.
Por supuesto el vector resultante del producto vectorial será perpendicular al plano que contiene a los dos vectores que se multiplican, y por lo tanto a los dos vectores. Un saludo.
hola unicoos me estoy preparando para la prueba de acceso a grado superior yo solo y en un mes tengo el examen ( en realidad en menos tiempo) y me esta costando mucho encontrar buenos videos y apuntes de tecnología industrial. agradeceria mucho si subieses algunos videos muchas gracias =)
mientras me podrias explicar como resolver este ejercicio?
Un sistema de propulsión pretende elevar 890 kg de masa desde el suelo a 300 m de altura en 2 min.
Calcule: (2 puntos, 1 punto cada apdo.)
Datos: g = 9,8 m/s2
.
A. La potencia del sistema de propulsión medido en kW
MUCHAS GRACIAS
por favor unicoos me podrias decir como hacer ejercicios de este tipo y decirme en que video lo explicas y si no lo hiciste podrias hacerlo pls?? esq tengo examen el viernes y no lo logro entender ,el ejercicio puede ser de masas o d volumenes este es d masas:
cuando se quema metano se obtienen dioxido de carbono y vapor de agua.
a)¿Que masa de dioxido de carbono se produce cuando se queman 100 g de metano?
b)¿cual es la masa de vapor de agua q se forma?
tambien hay de volumenes:
Se sabe que para la combustion de 2 mol de butano se necesitan 13 moles de oxigeno
¿cuantos litros de oxigeno seran necesarios para quemar 10 L de butano gaseoso?
Gracias por tu tiempo y por leer esto espero q puedas ayudarme

Bien:
La reacción sería: CH4+2O2→CO2+2H2O
1 mol de CH4=(12+4=16 g)...............1 mol/16g=xmol/100→x=100/16=6.25 mol de metano.
a)1 mol (CH4)/1 mol de (CO2)=6.25 mol de CH4)/x mol de CO2→X=6.25 mol.
b) 1 mol de (CH4)/2 mol de H2O=6.25 mol de CH4/x mol de H2O→X=12.50 mol de H2O......... 1 mol de H2O = (2+16=18 g)→masa de H2O=18g/mol ·12.5 mol=225 g de H2O
Intenta el segundo, sabiendo que un mol de un gas en condiciones normales ocupa 22.4 litros. Un saludo.
"Por cierto, este ejercicio es de química no es de este foro.
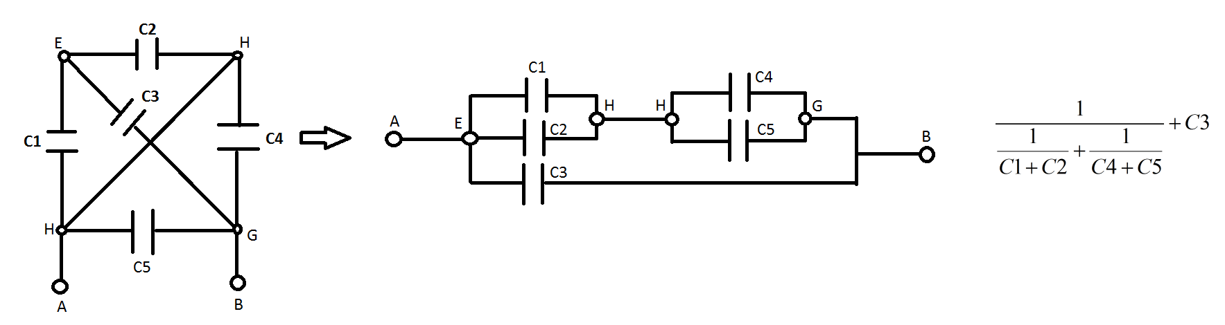
Les traigo un ejercicio de Capacidad Eléctrica tengo que encontrar la CAPACIDAD EQUIVALENTE entre los puntos A y B, lo llevo intentando toda la semana pero no se como hacerlo.
Gracias por la ayuda me podrían explicar como hacerlo y cuanto es el resultado